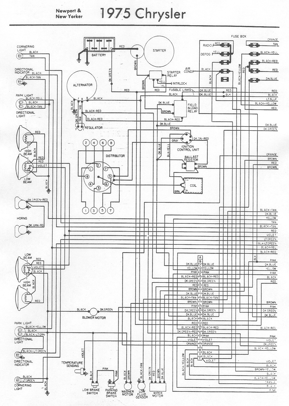
1975 Chrysler New yorker Full Wiring Diagram

User avatar
12volt Does it
Posts: 18
Joined: Sun Feb 25, 2024 6:50 pm

1975 Chrysler New yorker Full Wiring Diagram

by 12volt Does it » Fri Apr 05, 2024 9:28 pm

75NewportNewYorkerB.JPG
75NewportNewYorkerB.JPG (614.31 KiB) Viewed 12638 times
75NewportNewYorkerA.JPG
75NewportNewYorkerA.JPG (592.78 KiB) Viewed 12638 times

Who is online

Users browsing this forum: No registered users and 1 guest

It is currently Tue Mar 24, 2026 10:02 am